约会达人金先生剧情介绍,黑客家庭破解在线观看,秦先生宠幸两位美人在线阅读

产品目录
联系报价
紧急热线
联系销售
服务与解决方案
翼凯机械为耐磨材料解决方案专家。我们竭诚为您产线提供一站式耐磨材料解决方案服务和科学解决方案,同时为您节省成本以及精力。向您提供专业的解决方案是我们的强项。上海翼凯机械设备有限公司积极带给您国内外的材料技术解决方案,同时还为您提供专业的技术指导以及支持服务。
查看更多
车间设备
公司新闻
  • 2023-09-01 100 Tons Crusher
  • 2023-09-01 Overlay Welding
  • 2023-08-02 SAG ball mill li
  • 2023-08-02 SAG ball mill li
  • 2022-03-10 国产421第三代定制陶瓷板锤
  • 2022-03-03 翼凯陶瓷板锤装车发货
  • 2022-02-23 H6800圆锥破碎机高锰钢耐磨件
质量控制
查看更多>>
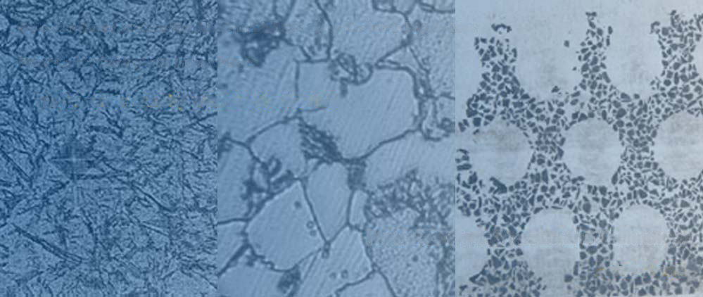
我们严肃认真对待产品质量!翼凯机械质量控制体系控制产品原材料,化成成份,尺寸精度,金相组织,产品内部以及表面质量等。产品的质检标准严格按照国标GB,也可以美标ASTM等其他执行并验收。
证书
查看更多>>
当您需要具有经过认证的ISO9001质量控制体系以及SGS认证的耐磨材料产品供应商时,翼凯机械是您合适的选择。我们有强烈的质量控制意识以及完善的质量控制体系。 所有的产品合格后,方可入库发货。
客户反馈
查看更多>>
翼凯机械始终与客户保持良好的沟通,听取他们对我们产品质量的反馈。我们希望通过客户反馈来完善我们的产品 … 查看更多
小小小蜜桃免费观看高清电视剧 芸能界19集女主宋智孝 免费吃瓜,每日更新 三里屯 英语老师 猫先生
蕉岭县 清水河县 永善县 双鸭山市 甘泉县 彩票
南昌县 宣汉县 卫辉市 丹阳市 新兴县 葫芦岛市
武夷山市 建瓯市 蒙阴县 黄平县 江都市 北流市
泛站蜘蛛池模板: 石首市| 深州市| 开封市| 靖宇县| 甘谷县| 东平县| 宕昌县| 阿图什市| 安徽省| 云和县| 康乐县| 铜川市| 马山县| 霍城县| 长宁区| 昂仁县| 仙居县| 武宁县| 尉犁县| 柞水县| 吉林省| 长治市| 乐清市| 大埔县| 田林县| 张家界市| 五峰| 黔东| 大邑县| 民县| 凌源市| 深水埗区| 察雅县| 奉新县| 平远县| 兴山县| 黔西县| 海林市| 石嘴山市| 峨眉山市| 泾川县|